Zum Hauptinhalt springen Zur Suche springen Zur Hauptnavigation springen
Kostenloser Versand ab 50 €
Versand innerhalb von 24h
Geld-zurück-Garantie

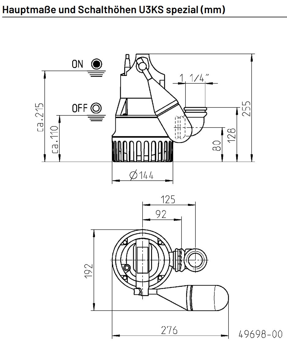
Produktinformationen "Jung U3kS Spezial Tauchpumpe für aggressive Medien 4m Kabel JP50005"



Jung U3KS Spezial

Tauchpumpe mit Schwimmerschalter und 4m Anschlusskabel

Aktuelle Version ab 2023.

 

Für wässerige Lösungen bis 15% Salzgehalt.

(Beim alten Modell vor 2023 hiess es in den Unterlagen noch 10%, ob die eine bestehende Dichtung weiter ausgereizt haben oder ob das Material nochmal überarbeitet wurde, ist leider nicht angegeben)

• Motormantelkühlung

• Flachabsaugung durch abnehmbaren Siebfuß

• Spüleinrichtung aktivier- und deaktivierbar

• Variabler Druckabgang mit verschließbarer Entlüftung

• Trockenlaufsicher • GID-Technik

• SiC-Gleitringdichtung ( auch wegen dieser Dichtung ist die grüne Spezial teurer wie die gelbe Variante ).

• Längswasserdicht vergossene Leitungseinführung

Die U3 K(S) spezial ist eine Variante der U3 K(S), die speziell für den Einsatz in aggressiven Medien wie z.B. salzhaltiges Wasser aus Enthärtungsanlagen, Brackwasser, Kondensat aus Gasbrennwertgeräten, Silagesaft, Molke oder Flüssigdünger zu fördern. Häusliches Schmutzwasser aus Geschirrspül- und Waschmaschinen (Kochvorgang) aber auch Drainge- und Regenwasser kann mit der Pumpe entsorgt werden. Je nach Anwendung kann sie transportabel oder stationär betrieben werden. Für den stationären Betrieb lässt sich die Pumpe mit bauseitigen Schächten wie auch mit einer Vielzahl unserer chemisch beständigen Sammelbehälter kombinieren. Da aggressive Medien nicht näher definiert sind und in sehr unterschiedlichen Zusammensetzungen auftreten, erbitten wir Ihre Rücksprache zwecks technischer Klärung, um basierend auf unserer Empfehlung, Gewährleistung übernehmen zu können. Die U3 K(S) spezial hat dieselben innovativen technischen Eigenschaften wie das Standardmodell U3 K(S). Im stationären Einsatz in Schächten bieten Gleitrohrsysteme die Vorteile einer schnellen und einfachen Wartung. Besonders komfortabel sind die Einbau-Sets Easyfix. Sie sind bereits steckerfertig vormontiert und können als Einzel- oder Doppelanlagen eingebaut werden. Die U3 K(S) spezial darf nicht zum Heben von fäkalienhaltigen Abwässern oder Abwässern aus Urinalanlagen eingesetzt werden. Werden Tauchmotorpumpen im Freien verwendet, darf nur eine Pumpe mit 10 m Leitung ohne Zwischenverbindung gemäß VDE-Vorschrift 0100 eingesetzt werden.



 

Downloads "Jung U3kS Spezial Tauchpumpe für aggressive Medien 4m Kabel JP50005"
Hersteller "Jung"

Ein Unternehmen der amerikanischen Pentair Gruppe.

JUNG PUMPEN GmbH
Industriestraße 4-6
33803 Steinhagen
Telefon: 05204 17-0
Email: info@jung-pumpen.de

Produktgalerie überspringen

11275

Jung Einbauset Easyfix 32 Single JP50308
Jung Einbauset Easyfix 32 Single JP50308

#  JP50308 JUNG PUMPEN EASYFIX 32 SINGLESchachtmaß mindestens 300 x 400 mmAnschlussfertige Einzelanlagefür den Schachteinbau vonSchmutzwasserpumpen U3 KS (spezial),U5 KS und U6 K ES(Pumpen nicht im Lieferumfang).Bestehend aus Gleitrohrsystem GR 32,Rückschlagklappe R32, Druckleitung DN32und 2 elastischen Verbindungen fürDruckleitung DA 40mm (geradeund Bogen 90 Grad).Gesamthöhe: 552mm (mit geraderelastischer Verbindung).Grundplatte: 393mm x 255mmEinfache und schnelle Installation,ideal für den Einsatz in Schächtenab 400 x 300 mm.

Regulärer Preis: 239,00 €
Jung Einbauset Easyfix 32 Duo für Doppelpumpenanlage mit Steuerung JP50307
Jung Einbauset Easyfix 32 Duo für Doppelpumpenanlage mit Steuerung JP50307

JUNG PUMPEN EASYFIX 32 DUOAnschlussfertige Doppelanlagefür den Schachteinbau vonSchmutzwasserpumpen U3 KS (spezial),U5 KS und U6 K ES(Pumpen nicht im Lieferumfang).Bestehend aus 2 Gleitrohrsystemen GR 32,2 Rückschlagklappen R32, DruckleitungDN32 und 2 elastischen Verbindungen fürDruckleitung DA 40mm (geradeund Bogen 90 Grad).Gesamthöhe: 552mm (mit geraderelastischer Verbindung).Grundplatte: 380mm x 380mmEinfache und schnelle Installationin Schächten ab 500 x 500 mm.Inklusive steckerfertiger SteuerungEASYLOGO (152mm x 202mm x 90mm),Anschlussleitung 1,5m, gewährleistet denwechselseitigen Betrieb der Pumpen.Reedkontaktschaltung (Leitung 10m) fürAlarm/Spitzenlast, quittierbarerAkustischer Alarm, potentialfreierKontakt.

Regulärer Preis: 1.220,00 €
Messing Geka Gewindestück 1 1/4" AG auf Geka Schnellverschluss 08.2114 / 80114A
Messing Geka Gewindestück 1 1/4" AG auf Geka Schnellverschluss 08.2114 / 80114A

Geka Gewindestück1 1/4" Zoll Aussengewinde auf GEKA Schnellverschluss Vierteldrehunginkl. DichtungModell 08.2114 / 80114A 

Regulärer Preis: 2,40 €
Jung Sonderschwimmer für enge Schachte 30x30cm JP40856
Jung Sonderschwimmer für enge Schachte 30x30cm JP40856

Sonderschwimmer für enge Schächte(Schachtgröße min. 30 x 30 cm) Schalthöhen ohne GR EIN 265 mm, AUS 195 mm JP40856Kunststoff SchwarzEinsetzbar ab einer Schachtgröße von30 x 30 cm oder 30 cm im Durchmesser.Einschalthöhen (mm) fürohne GR mit GREin/Aus Ein/AusU 3 KS 240/ 170 270/ 200U 3 KS spez. 240/ 170 270/ 200U 5 KS 265/ 195 275/ 205U 6 K ES 245/ 165 275/ 195U 6 K DS 245/ 165 275/ 195

Regulärer Preis: 59,90 €
Jung Sonderschwimmer fuer niedrige Schalthoehen U3K / U3KS JP44795
Jung Sonderschwimmer fuer niedrige Schalthoehen U3K / U3KS JP44795

Jung Pumpen - Sonderschwimmer für niedrige Schalthöhenfür Jung Tauchpumpen Modelle U3K (JP44795 )Der neue Sonderschwimmer von Jung Pumpen ist ab sofort nicht nur für die „U 3 K(S)“, sondern auch für die größeren Schmutzwasserpumpen „U 5 K“ und „U 6 K“ lieferbar (anderer Artikel hier im Shop). Seinen Einsatz empfiehlt der Hersteller immer dann, wenn eine Pumpe die Entwässerung von Sanitäreinrichtungen, wie zum Beispiel Duschen, unterstützt, die nur ein geringes Zulaufgefälle aufweisen. Steht der Pumpenbehälter, in den das Duschwasser läuft, etwa auf dem Fußboden, droht ein Rückstau des Abwassers in die Dusche, bevor die Pumpe in Betrieb geht. Mit dem neuen Sonderschwimmer wird ein derartiger Rücklauf sicher verhindert. Zusätzlich minimiert der Schwimmer durch den zeitnahen Abtransport des Schmutzwassers unangenehme Geruchsemissionen aus dem Pumpenschacht.Ausgerüstet mit dem neuen Sonderschwimmer von Jung Pumpen geht eine Pumpe auch bei niedrigem Restwasservolumen in Betrieb. Durch eine Neukonstruktion ist der Schwimmer jetzt auch an den Schmutzwasserpumpen "U 5 K" und "U 6 K" zu montieren. (Achtung hier nur für Modell U3K, das andere Modell ist allerdings auch im Shop zu finden) passend für folgende Pumpen:U3, U3 spez. 105/ 45 135/ 75US 62/73 155/105 180/130US 75 170/120 175/125US 102/103 185/135 210/160US 105 185/135 210/160US 152/153 155/105 180/130US 155 155/105 180/130Schalthöhen siehe auch Datenblatt beim gewünschten Pumpenmodell auf der Seite mit der Masszeichung.

Regulärer Preis: 79,90 €
JUNG PUMPEN Anschluss-Set DN 32 jp44609
JUNG PUMPEN Anschluss-Set DN 32 jp44609

JUNG PUMPEN Anschluss-Set DN 32 Das stufenlos teleskopierbare Anschluss- Set wird in den vertikalen Druckabgang der Pumpe geschraubt und mit der elast. Verbindung an eine vorhandene Druck- leitung angeschlossen. Eine Rückschlag- klappe R32 liegt bei. Minimale Gesamtlänge: 30 cm Maximale Gesamtlänge: 90 cmJung # jp44609EAN / GTIN  7630014520428

Regulärer Preis: 69,90 €
Produktgalerie überspringen

11275

Jung Sonderschwimmer für enge Schachte 30x30cm JP40856
Jung Sonderschwimmer für enge Schachte 30x30cm JP40856

Sonderschwimmer für enge Schächte(Schachtgröße min. 30 x 30 cm) Schalthöhen ohne GR EIN 265 mm, AUS 195 mm JP40856Kunststoff SchwarzEinsetzbar ab einer Schachtgröße von30 x 30 cm oder 30 cm im Durchmesser.Einschalthöhen (mm) fürohne GR mit GREin/Aus Ein/AusU 3 KS 240/ 170 270/ 200U 3 KS spez. 240/ 170 270/ 200U 5 KS 265/ 195 275/ 205U 6 K ES 245/ 165 275/ 195U 6 K DS 245/ 165 275/ 195

Regulärer Preis: 59,90 €
Produktgalerie überspringen

11275

Jung Sonderschwimmer fuer niedrige Schalthoehen U3K / U3KS JP44795
Jung Sonderschwimmer fuer niedrige Schalthoehen U3K / U3KS JP44795

Jung Pumpen - Sonderschwimmer für niedrige Schalthöhenfür Jung Tauchpumpen Modelle U3K (JP44795 )Der neue Sonderschwimmer von Jung Pumpen ist ab sofort nicht nur für die „U 3 K(S)“, sondern auch für die größeren Schmutzwasserpumpen „U 5 K“ und „U 6 K“ lieferbar (anderer Artikel hier im Shop). Seinen Einsatz empfiehlt der Hersteller immer dann, wenn eine Pumpe die Entwässerung von Sanitäreinrichtungen, wie zum Beispiel Duschen, unterstützt, die nur ein geringes Zulaufgefälle aufweisen. Steht der Pumpenbehälter, in den das Duschwasser läuft, etwa auf dem Fußboden, droht ein Rückstau des Abwassers in die Dusche, bevor die Pumpe in Betrieb geht. Mit dem neuen Sonderschwimmer wird ein derartiger Rücklauf sicher verhindert. Zusätzlich minimiert der Schwimmer durch den zeitnahen Abtransport des Schmutzwassers unangenehme Geruchsemissionen aus dem Pumpenschacht.Ausgerüstet mit dem neuen Sonderschwimmer von Jung Pumpen geht eine Pumpe auch bei niedrigem Restwasservolumen in Betrieb. Durch eine Neukonstruktion ist der Schwimmer jetzt auch an den Schmutzwasserpumpen "U 5 K" und "U 6 K" zu montieren. (Achtung hier nur für Modell U3K, das andere Modell ist allerdings auch im Shop zu finden) passend für folgende Pumpen:U3, U3 spez. 105/ 45 135/ 75US 62/73 155/105 180/130US 75 170/120 175/125US 102/103 185/135 210/160US 105 185/135 210/160US 152/153 155/105 180/130US 155 155/105 180/130Schalthöhen siehe auch Datenblatt beim gewünschten Pumpenmodell auf der Seite mit der Masszeichung.

Regulärer Preis: 79,90 €
Produktgalerie überspringen

11275

JUNG PUMPEN Anschluss-Set DN 32 jp44609
JUNG PUMPEN Anschluss-Set DN 32 jp44609

JUNG PUMPEN Anschluss-Set DN 32 Das stufenlos teleskopierbare Anschluss- Set wird in den vertikalen Druckabgang der Pumpe geschraubt und mit der elast. Verbindung an eine vorhandene Druck- leitung angeschlossen. Eine Rückschlag- klappe R32 liegt bei. Minimale Gesamtlänge: 30 cm Maximale Gesamtlänge: 90 cmJung # jp44609EAN / GTIN  7630014520428

Regulärer Preis: 69,90 €
Produktgalerie überspringen

11275

Jung Einbauset Easyfix 32 Duo für Doppelpumpenanlage mit Steuerung JP50307
Jung Einbauset Easyfix 32 Duo für Doppelpumpenanlage mit Steuerung JP50307

JUNG PUMPEN EASYFIX 32 DUOAnschlussfertige Doppelanlagefür den Schachteinbau vonSchmutzwasserpumpen U3 KS (spezial),U5 KS und U6 K ES(Pumpen nicht im Lieferumfang).Bestehend aus 2 Gleitrohrsystemen GR 32,2 Rückschlagklappen R32, DruckleitungDN32 und 2 elastischen Verbindungen fürDruckleitung DA 40mm (geradeund Bogen 90 Grad).Gesamthöhe: 552mm (mit geraderelastischer Verbindung).Grundplatte: 380mm x 380mmEinfache und schnelle Installationin Schächten ab 500 x 500 mm.Inklusive steckerfertiger SteuerungEASYLOGO (152mm x 202mm x 90mm),Anschlussleitung 1,5m, gewährleistet denwechselseitigen Betrieb der Pumpen.Reedkontaktschaltung (Leitung 10m) fürAlarm/Spitzenlast, quittierbarerAkustischer Alarm, potentialfreierKontakt.

Regulärer Preis: 1.220,00 €
Produktgalerie überspringen

11275

Messing Geka Gewindestück 1 1/4" AG auf Geka Schnellverschluss 08.2114 / 80114A
Messing Geka Gewindestück 1 1/4" AG auf Geka Schnellverschluss 08.2114 / 80114A

Geka Gewindestück1 1/4" Zoll Aussengewinde auf GEKA Schnellverschluss Vierteldrehunginkl. DichtungModell 08.2114 / 80114A 

Regulärer Preis: 2,40 €